Общие рекомендации по проектированию ВЛИ ДО 1 кВ
При подготовке раздела использованы:
- ПУ ВЛИ до 1 кВ;
- общие технические требования к воздушным линиям напряжением 0,4 кВ, разработанные в ОАО "РОСЭП";
- опыт проектирования ВЛИ для сельских населенных пунктов и малых городов России;
- нормы технологического проектирования воздушных линий электропередачи;
- стандарты и нормативно-технические документы, действующие на территории России;
- типовые проекты одноцепных, двуцепных и переходных опор ВЛИ 0,4 кВ с СИП–2, разработанные ОАО «РОСЭП» в 2005 году. Шифр 25.0017.
Введение
Для внедрения СИП в энергетику России ОАО «РОСЭП» разработало в 2005г типовой проект «Одноцепные, двухцепные и переходные железобетонные опоры ВЛИ 0,4 кВ с СИП–2 и линейной арматурой ООО «НИЛЕД–ТД» в соответствии с ПУЭ 7 издания. Шифр 25.0017.
В проекте представлены общие виды различных типов опор с конструктивными решениями, узлами крепления арматуры и подвески проводов на стойках СВ 95-2 (2с), СВ 95-3, СВ 95-3 (3с), СВ 105-3,6 (5), СВ 110-3,5 (5), спецификациями для применения в I-IV районах по ветру и гололеду, а также другая важная информация.
Данный типовой проект можно использовать для всех марок опор при застройке городов и сельских населенных пунктов. Узлы крепления и спецификации в этих случаях не изменяются.
Экономическая эффективность применения СИП на ВЛ 0,4 кВ определяется на стадии проектирования этих линий и зависит от принятых проектных решений с максимальной реализацией следующих вариантов строительства:
- Строительство ВЛИ с подвеской 2-х и более цепей;
- Применение более длинных пролетов на переходах через инженерные сооружения;
- Совместная подвеска проводов ВЛ напряжением 0,4 и 6-20 кВ;
- Прокладка ВЛИ по фасадам зданий и сооружений;
- Применения более коротких стоек;
- Отказ от строительства второй линии на другой стороне улицы вследствие увеличения габарита при применении обычных стоек.
При расстановке опор, определении пролетов и подборе тяжения СИП всегда необходимо учитывать возможность подвески дополнительных цепей, что позволит адаптировать ВЛИ к изменениям электрических нагрузок на весь период эксплуатации линии (до 40 лет) без коренной реконструкции.
Уличное освещение рекомендуется проектировать и выполнять отдельным жгутом СИП (см. Раздел «Уличное освещение»).
Реализации вышеперечисленных вариантов осуществляется на этапе предварительной проектной подготовки с участием Заказчика.
Глава 1. Общие положения
1.1. Рекомендации для проектирования сетей напряжением 0,4 кВ (в дальнейшем по тексту раздела Рекомендации) разработаны в качестве общих указаний по применению СИП–2 (с изолированной несущей нулевой жилой) и линейной арматуры фирмы НИЛЕД на ВЛИ до 1 кВ. В Рекомендациях приводятся требования, относящиеся к размещению и техническим параметрам линий напряжением 0,4 кВ.
1.2. В настоящем разделе приняты понятия и определения, соответствующие главе 1.1 ПУЭ. Для обозначения обязательности выполнения требований настоящих Рекомендаций применяются слова "должен", "следует" и "необходимо". Слова "как правило" означают, что данное требование является преобладающим. Слово "рекомендуется" означает, что данное решение является одним из лучших (оптимальным), но не обязательным. Слово "допускается" означает, что данное решение применяется в виде исключения.
1.3. Проекты разрабатываются согласно ГОСТ 21.101-97 "Основные требования к рабочей документации", а также требований Свода правил СП11-101-95, СНиП 11-01-95, РДС 11-201-95 и "Справочника базовых цен на проектные работы для строительства".
1.4. Проектирование ВЛИ до 1 кВ следует осуществлять на основе материалов, подготовленных в процессе инженерных изысканий, выполняемых согласно требованиям "Руководства по изысканиям трасс и площадок для проектирования электросетевых объектов напряжением 0,4-20 кВ".
1.5. В проектах должно предусматриваться применение сертифицированного электрооборудования (Сертификат соответствия), типовых строительных конструкций и изделий, отвечающих требованиям безопасности при строительстве и эксплуатации, а также экологическим условиям (Сертификат безопасности).
Вновь разрабатываемое оборудование (конструкции, изделия), а также нестандартное оборудование допускается применять для объектов на стадии опытно-промышленного внедрения после согласования с Минэнерго России и РАО "ЕЭС России".
1.6. Количество типоразмеров оборудования, строительных конструкций и изделий применяемых в одном проекте, определяются параметрами надежности, величиной затрат на строительство и эксплуатацию.
1.7. Технические параметры ВЛИ до 1 кВ рекомендуется выбирать из условия минимальных затрат на их обслуживание за весь период эксплуатации. Выбор варианта сети осуществляется на основании сравнительных технико-экономических расчетов с использованием критерия индекса доходности в соответствии с "Методическими рекомендациями по оценке эффективности инвестиционных проектов и их отбору для финансирования", в том числе из условия минимума затрат за полный срок службы сетевого объекта.
1.8. Электрические нагрузки следует определять согласно "Методическим указаниям по расчету электрических нагрузок в сетях 0,4-110 кВ сельскохозяйственного назначения" и раздела 2 (изменения и дополнения) РД 34.20.185-94.
1.9. Распределение потерь напряжения на элементах сети производится на основании расчетов, исходя из допустимого отклонения напряжения у приемников потребителя (п. 5.2 ГОСТ 13109) и уровней напряжения на шинах центра питания. При этом потери напряжения в электрических линиях напряжением 220 и 380 В не должны превышать 6%.
При отсутствии исходных данных для расчета отклонения напряжения у приемников потери напряжения в линии 0,4 кВ рекомендуется принимать (% от номинальных величин):
- 6 % в линиях для питания объектов социальной сферы;
- 6,5 % в линиях для питания производственных потребителей;
- 4 % в линиях для питания сельскохозяйственных комплексов.
1.10.Расчетные механические нагрузки для расчета конструкций ВЛИ до 1 кВ следует определять согласно главе 2.4 ПУЭ. Конструкции сетевых объектов должны обеспечивать заданные физико-механические и электротехнические параметры в течение всего срока службы, который должен быть не менее 40 лет.
Определение РКУ, интенсивности грозовой активности и пляски проводов для расчета ВЛИ производятся в процессе инженерных изысканий по картам климатического районирования с уточнением по региональным картам и материалам многолетних наблюдений гидрометеорологических станций (постов) в зоне трассы проектируемой ВЛ.
1.11.Проекты сетевых объектов, не реализованные в течение 3 лет после намеченного срока реализации, не могут служить основанием для строительства и подлежат пересмотру.
Глава 2. Общие рекомендации по проектированию ВЛИ до 1 кВ
2.1. ВЛ 0,4 кВ переменного трехфазного тока с глухим заземлением нейтрали должна проектироваться как воздушная линия электропередачи с самонесущими изолированными проводами.
2.2. Конструктивное исполнение ВЛИ определяет Заказчик совместно с проектной организацией, что должно быть отражено в задании на проектирование и технических условиях.
2.3. Нормативный срок службы ВЛ, расчетный период массовых отказов (аварий) ВЛ и количественная оценка надежности при проектировании должна выполняться в соответствии с п.5.1.3 Норм технического проектирования.
При проектировании ВЛ с совместной подвеской на опорах линий электропередачи 0,4 кВ и линий проводного вещания напряжением до 360 В следует руководствоваться ПУЭ, "Правилами использования ВЛ электропередачи 0,4 кВ для подвески проводов проводного вещания до 360 В" и Нормами технологического проектирования.
2.4. На ВЛ должны быть выполнены заземляющие устройства, предназначенные для повторного заземления нулевой жилы (несущей нулевой жилы ВЛИ), защиты от атмосферных перенапряжений, заземления электрооборудования, установленного на опорах ВЛ, заземления разрядников и ОПН. Защита от перенапряжений и заземление ВЛ должны выполняться согласно гл. 2.4 ПУЭ и ПУ ВЛИ до 1 кВ.
2.5. ВЛИ выполняются трехфазным проводом одного сечения по всей длине линии. При этом сечение магистральных проводов должно быть не менее 50 мм2. При проектировании электроснабжения одного или группы приемников небольшой мощности, допускается сечение провода выбирать по электрическим нагрузкам конкретного объекта и с учетом минимальных сечений, приведенных в гл. 2.4 ПУЭ.
2.6. Выбор СИП должен быть проверен:
- на допустимые длительные токовые нагрузки по условию нагрева в нормальном и послеаварийном режиме (значения токов следует принимать по нормативно-технической документации конкретного исполнения СИП);
- термическую стойкость СИП при токах КЗ;
- допустимые отклонения напряжения у потребителей;
- обеспечение надежного срабатывания плавких предохранителей или автоматических выключателей при однофазных и межфазных КЗ и перегрузках;
- пуск асинхронных электродвигателей с короткозамкнутым ротором.
2.7. Проектирование наружного освещения следует выполнять согласно гл. 6.1, 6.3, 6.5 ПУЭ и СН 541-82. (См. Раздел «Уличное освещение»).
2.8. На ВЛИ допускается применение деревянных и железобетонных опор. Применяемые опоры должны соответствовать требованиям гл. 2.4 ПУЭ. Расчетный изгибающий момент опор на уровне земли должен быть не менее 30 кНм. На всех типах опор должна быть предусмотрена возможность подвески не менее 2-х цепей ВЛ, подвески проводов (кабелей) линий связи (ЛС), волоконно-оптических линий связи (ВОЛС) и линий проводного вещания.
2.9. Арматура для подвески провода должна соответствовать ГОСТ или техническим условиям, утвержденным в установленном порядке. Защита линейной арматуры от коррозии должна осуществляться по техническим требованиям ГОСТ Р51177-98 "Арматура линейная, общие технические условия". В местах, где наблюдается разрушение арматуры ВЛИ от коррозии, следует применять арматуру в стойком от коррозии исполнении.
2.10.Проектирование ВЛИ 0,4 кВ выполняется в соответствии с заданием на проектирование, выдаваемым Заказчиком на разработку проектной документации, а также с техническими условиями на присоединение к электрическим сетям 380/220 В. В задании на проектирование должно быть указано:
- основание для проектирования;
- район строительства;
- вид строительства (новое строительство, взамен ВЛ, пришедших в негодность);
- ориентировочная протяженность ВЛИ;
- стадийность проектирования; срок выполнения проекта;
- срок начала строительства;
- наименование проектной и строительной организации;
- наименование Заказчика проекта; дополнительные требования (материал опор);
- типы опор;
- типы светильников уличного освещения;
- необходимость подвески (переноса) проводов радиотрансляционной линии сети проводного вещания на опорах ВЛ.
2.11. К заданию на проектирование прилагаются:
- технические условия на присоединение к 380/220 В;
- акт оценки технического состояния ВЛ;
- акт списания с баланса ВЛ, пришедших в негодность;
- картографические материалы (планы населенного пункта с нанесением на них всех надземных и подземных коммуникаций и сооружений в масштабе 1:2000, 1:1000 или 1:500);
- данные об уровне потребления электроэнергии на коммунально-бытовые нужды из расчета на одноквартирный жилой дом (по данным сбытовой организации); данные предприятия Минсвязи России о техническом состоянии линий проводного вещания, о необходимости и условиях подвески цепей ПВ на опорах ВЛИ;
- чертежи существующих построек различного назначения с указанием параметров установленного в них технологического оборудования и режима его работы.
2.12. В состав проектных материалов должны входить пояснительная записка, чертежи и сметная документация; материалы изысканий и энергетического обследования потребителей электроэнергии. Пояснительная записка должна содержать:
- показатели проекта на строительство линии ВЛИ до 1 кВ;
- спецификации на материалы и оборудование;
- ведомости объемов строительно-монтажных работ;
- исходные материалы для проектирования (задание на проектирование, акт технического состоянии существующих ВЛ, условия подвески сети ПВ на опорах ВЛИ и др.). В целях сокращения объема проектной документации и сокращения сроков ее оформления в проекте следует приводить только те материалы, которые необходимы для выполнения строительно-монтажных работ по сооружению линий. Все расчетные и обосновывающие материалы хранятся в архивном экземпляре проекта.
2.13. К проекту должны прилагаться чертежи:
- план электрических сетей 380/220 В по населенному пункту;
- план трассы проектируемой линии;
- чертежи (схемы) пересечений проектируемой линии электропередачи 0,4 кВ инженерными коммуникациями и сооружениями.
2.14. В пояснительной записке приводится основания для разработки проекта:
- спецификации на материалы и оборудование;
- основные технические показатели проекта, в которых указывается количество электрифицируемых построек, в т. ч. число жилых домов в одноквартирном исчислении, протяженность ВЛИ 0,4 кВ;
- расход основных материалов, проводов, кабельных изделий и арматуры, изделий на переустройство сетей ПВ и ЛС.
Все необходимые данные для выполнения строительно-монтажных работ приводятся в сметах, в пояснительной записке, на плане трассы проектируемой ВЛИ, в спецификациях и ведомостях объемов работ.
2.15.ВЛИ и ПВ следует прокладывать, как правило, по двум сторонам улиц. Допускается их прокладка по одной стороне улицы с учетом исключения помех движению транспорта и пешеходов, а также удобства выполнения ответвлений от магистрали ВЛИ к вводам в здания и сокращения числа пересечений ВЛИ с инженерными сооружениями.
2.16.Длина пролета ответвления от магистрали ВЛИ к вводам в здания должна определяться расчетом в зависимости от прочности опоры, на которой выполняется ответвление; габаритов подвески проводов ответвления на опоре и на вводе, количества и сечения жил СИП ответвления, а также РКУ (гололедно-ветровых нагрузок) района, в котором осуществляется строительство ВЛИ.
2.17.При проектировании ВЛИ 0,4 кВ с совместной подвеской на общих опорах с линией проводного вещания напряжением до 380 В следует руководствоваться ПУ ВЛИ до 1 кВ и ПУЭ. Для линий ПВ при совместной подвеске на общих опорах с ВЛИ рекомендуется, как правило, применять изолированные радиотрансляционные провода марки ПРСП.
2.18.На участках параллельного следования ВЛИ 0,4 кВ с ВЛ 10 кВ следует рассматривать целесообразность применения общих опор для совместной подвески на них проводов этих линий.
2.19.В процессе проектирования ВЛИ должны быть выполнены расчеты:
- существующих и перспективных электрических нагрузок для выбора конфигурации линии 0,4 кВ и схемы электроснабжения потребителей;
- сечения СИП, числа цепей, обеспечивающих пропускную способность сети в соответствии с нормами качества электроэнергии;
- потерь напряжения и допустимых отклонений напряжения у потребителей (для уличного освещения - у ламп наиболее удаленных светильников);
- длительных электрических перегрузок по условиям нагрева в номинальном и аварийном режимах;
- условий срабатывания зашиты (предохранителей или автоматических выключателей) при ОЗЗ и межфазных КЗ;
- по условиям пуска асинхронных электродвигателей с короткозамкнутым ротором;
- на термическую устойчивость изоляции СИП при защите плавкими предохранителями и автоматическими выключателями от токов КЗ;
- выбор схем электрических соединений трансформаторных подстанций 10/0,4 кВ;
- для выбора средств автоматизации электрических защит;
- выбор средств защиты от грозовых перенапряжений;
- расчет заземляющих устройств.
2.20.В процессе проектирования должны быть выполнены механические расчеты:
- тяжения несущей нулевой жилы провода СИП ВЛИ;
- стрел провеса ВЛИ;
- габаритов ВЛИ на пересечениях с инженерными коммуникациями и естественными препятствиями, а также выбор и/или расчет закрепления опор ВЛИ в грунтах.
2.21.Кабельные вставки во ВЛИ следует выполнять в соответствии с требованиями ПУЭ и ПУ ВЛИ до 1 кВ. Кабельные вставки рекомендуется выполнять двумя силовыми кабелями с алюминиевыми жилами согласно требованиям инструкции "Об использовании кабелей с пластмассовой изоляцией на напряжение до 1 кВ". Проводимость алюминиевой оболочки должна быть не менее 50 % проводимости фазных жил кабелей. Использование свинцовой оболочки кабелей в качестве нулевого проводника не допускается. Марка кабеля выбирается в соответствии с "Едиными техническими указаниями по выбору и применению электрических кабелей". Концы кабелей следует заделывать в соответствии с "Технической документацией на муфты для силовых кабелей с бумажной и пластмассовой изоляцией до 35 кВ". Кабельные вставки по их концам, на отходящие от ТП 10/0,4 кВ кабельные линии с одного конца при переходе их во ВЛИ должны быть защищены от грозовых перенапряжений вентильными разрядниками, присоединяемыми к проводам ВЛИ. Вентильные разрядники и ОПН следует устанавливать в случаях, указанных в ПУЭ и ПУ ВЛИ до 1 кВ.
2.22.Заземление вентильных разрядников или ОПН должно осуществляться путем их присоединения отдельным самостоятельным заземляющим спуском (независимо от материала опор ВЛИ) к заземлителю (контуру заземления).
2.23.Проводимость нулевой несущей жилы СИП, питающей преимущественно (более 50% по мощности) однофазные приемники, а также приемники I и II категории должна быть не менее проводимости жилы фазного провода. Проводимость нулевой жилы СИП ВЛИ должна быть больше проводимости токопроводящих жил, если это требуется для обеспечения допустимых отклонений напряжения у ламп уличного освещения, а также при невозможности обеспечения другими средствами необходимой селективности срабатывания защиты ВЛИ от ОЗЗ и КЗ.
2.24.При выборе конструкций опор анкерного типа (сложных опор) рекомендуется применять одностоечные конструкции опор. Для железобетонных опор ВЛИ должны использоваться, как правило, железобетонные стойки с несущей способностью не менее 20 кН м для промежуточных опор и 50 кН м для опор анкерного типа.
2.25.Для соблюдения нормируемых ПУЭ и ПУ ВЛИ до 1 кВ расстояний от СИП ответвлений от магистрали ВЛИ к вводам в существующие жилые здания до проезжей части улиц, тротуаров, пешеходных дорожек и поверхности земли, а также от проводов ввода до поверхности земли необходимо предусматривать специальные конструкции.
Глава 3. Общие рекомендации по составлению смет на строительство ВЛИ до 1 кВ
Глава содержит рекомендации по составлению смет на строительство воздушных линий электропередачи напряжением до 1 кВ с глухим заземлением нейтрали с использованием проводов типа СИП-2 (старое название СИП 2А) и линейной арматуры фирмы НИЛЕД для подвески проводов СИП-2 на магистрали ВЛИ, линейных ответвлениях и ответвлениях от ВЛИ.
При подготовке общих рекомендаций использована технология строительства ВЛИ до 1 кВ и монтажа провода СИП–2 на деревянных и железобетонных опорах, а также технология строительства ВЛН.
При разработке смет на строительство ВЛИ 0,4 кВ необходимо учитывать особенности технологии строительства, заключающиеся в том, что не требуется подготовка территории трассы (расчистка и вырубка кустарников и деревьев). При раскатке СИП и создании монтажных тяжений и стрел провесов трудозатраты необходимо приравнивать к трудозатратам монтажа одного неизолированного провода, так как технология выполнения работ в соответствии с технологическими картами предполагает использование раскаточных роликов, как при монтаже неизолированного провода, так и СИП. Добавляется, как монтажный элемент, только литерный трос.
Оценка трудозатрат при переходах ВЛИ 0,4 кВ через автодороги, линии связи и так далее (т.е. в случаях применения на ВЛН двойного крепления проводов) осуществляется также, как при оценке затрат на монтаж обычного пролета (т. е. монтаж магистралей или ответвления). При этом учитываются трудозатраты, связанные с переустройством пересекаемых ВЛ или ЛС, а также установкой элементов грозозащиты на этих переходах.
До выхода единого сборника смет на строительство ВЛИ рекомендуется пользоваться сборником смет единичных расценок (ЕРЕР) с введением понижающих коэффициентов в позициях, которые используются "применительно". Вводимые понижающие коэффициенты в случае необходимости согласовываются с Заказчиком и строительной подрядной организацией.
Глава 4. Дополнительные требования к проектированию ВЛИ 0,4 кВ с СИП-2
4.1. По месту установки вместо крюков и рым - болтов используются кронштейны.
4.2. Анкерные зажимы должны обладать механической устойчивостью к крутящему моменту для компенсации ограниченного возможного скручивания СИП при натяжении.
4.3. Анкерные и клиновидные зажимы должны устанавливаться без применения каких-либо инструментов.
4.4. Комплект промежуточной подвески и анкерные зажимы должны обеспечивать достаточную свободу движения проводов СИП и линейной арматуры, чтобы компенсировать возможные механические колебания и упругие волны вдоль линии, вызванные механическим воздействием на опоры, провода и другие элементы конструкции ВЛИ (ветром, сбросом гололеда и т. д.).
4.5. Комплект промежуточной подвески должен быть нежесткой (свободной в ограниченном интервале) конструкцией, допускающей скольжение несущей жилы под воздействием внутренней или внешней силы. Это обстоятельство позволяет обеспечить безопасность изоляции несущей жилы и избежать возможных повреждений СИП и промежуточных опор.
4.6. Конструкция промежуточной подвески и анкерных зажимов должна обеспечивать наличие изолирующих деталей (так называемой двойной изоляции). Это требование обеспечивает дополнительную изоляцию жил и достаточную защиту СИП при коммутационных и грозовых перенапряжениях.
4.7. При монтаже должна строго соблюдаться технология проведения монтажных работ, которая обеспечит правильную подвеску СИП.
4.8. По мере возможности вся арматура должна поставляться с завода-изготовителя в сборе, готовом для установки виде (для подвесных зажимов это требование является строго обязательным).
Глава 5. Линейная арматура
5.1. Конкретный выбор всех типов линейной арматуры, таких как зажимы поддерживающие, натяжные, ответвительные, соединительные и др., можно выполнять используя типовые решения, показанные на стр.58. Следует обратить внимание на то, что анкерные и поддерживающие зажимы, которые разработаны для СИП–2 (с изолированной несущей нулевой жилой) не могут применяться для СИП–1 (с неизолированной несущей нулевой жилой), а тем более для СИП–4 (без несущей нулевой жилы).
Анкерные и поддерживающие зажимы для конструкций СИП–1 и СИП–4 приведены в разделе «Арматура для СИП-1 и СИП-4».
Прокалывающие ответвительные и соединительные зажимы, кронштейны и другие компоненты линейной арматуры подходят под все три конструкции СИП.
Ниже приведены основные типы линейной арматуры при помощи, которой осуществляется соединение и ответвления СИП–2:
5.1.1. Крепление провода магистрали ВЛИ на опорах анкерного типа осуществляется с помощью анкерных зажимов: DN 35, PA 1500, PAC 1500, PA 2200.
5.1.2. Для крепления проводов магистрали ВЛИ на промежуточных и угловых опорах до 90о применяются: универсальный поддерживающий зажим PS 1500 LM+E, либо PS 800, который ниже по стоимости, но максимальный угол поворота для этого зажима 30о. Поддерживающий зажим PS 1500 LM+E поставляется также вместе с кронштейном CS 1500E. Эта позиция называется ES 1500E и рассчитана на все сечения СИП–2.
5.1.3. Для соединения нулевой несущей жилы в пролете линии необходимы соединительные зажимы MJPT 25N, MJPT 35N, MJPT 50N, MJPT 54.6N, MJPT 70N, MJPT 95N. В петлях опор анкерного типа - с помощью зажимов P 70.
Для соединения основных токопроводящих жил в пролете применяются соединительные зажимы MJPT сечением от 35 до 150 мм2. В петлях опор так же с помощью зажимов P 70.
Соединительные зажимы типа MJPT N рассчитаны на применение в пролете с СИП–1 и СИП–2, и не применяются для соединения СИП–4 в пролете т.к. в этой конструкции отсутствует несущая нулевая жила из сплава.
5.1.4. Для крепления СИП на стенах зданий и сооружениях применяются кронштейны: CA 16, CS 10.3, CT 600, CB 600, анкерные зажимы: DN 123, DN 35, PA 1500, PA 2200. Для прокладки СИП по стенам зданий используются фасадные крепления SF 50.
5.1.5. Для соединения СИП 2х16-4х25 применяются зажимы MJPB сечением от 6 до 25 мм2.
5.1.6. Ответвление от магистрали к вводам в здания осуществляется с помощью герметичных зажимов P 616, P 645 или ответвительных зажимов с раздельной затяжкой болтов Р 71. При помощи зажима Р 72 можно выполнить 2 ответвления от одной точки.
При ответвлении одной магистральной линии от другой применяются герметичные зажимы Р 70.
5.1.7. Для соединения заземляющего проводника с СИП–2 применяются P 72 или Р 71, соединение неизолированных проводников между собой может осуществляться при помощи зажима CD 35 или CD 71+BI.
5.1.8. Для ответвления СИП от ВЛН следует применять герметичные зажимы N 640, N 70 либо влагозащищенные зажимы CD 71+BI, CD 153N+BI с раздельной затяжкой болтов.
Герметичные и влагозащищенные зажимы одинаково надежны, разница состоит в монтаже, цене, а так же в том, что влагозащищенные зажимы, предназначены для многократного применения со стороны ответвления не демонтируя зажим с магистральной линии.
При выборе поддерживающих зажимов или комплекта состоящего из кронштейна и поддерживающего зажима, необходимо убедиться, что в конструкции предусмотрено подвижное звено ограниченной прочности, которое защищает магистральную линию от механических повреждений.
5.2. Анкерные или натяжные зажимы должны быть устойчивы к коррозии и изготовлены из алюминиевого сплава. Минимальная разрушающая нагрузка для несущей нулевой жилы 50, 54.6, 70 мм2 - 1500 даН, а для 95 мм2 - 2200 даН.
5.3. Соединение несущей жилы в пролете следует выполнять при помощи соединительных зажимов MJPT N, обеспечивающих механическую прочность не менее 90% от разрывного усилия несущей жилы. Допускается не более одного соединения несущей нулевой жилы в пролете.
Для перехода с СИП на кабельную линию, используются:
1. Влагозащищенные зажимы Р 151+BI, PR 151+BI, PR 240+BI, CD 153N+BI.
2. Комплект переходной муфты 4СПтсип 25/54,6, 4СПтсип 70/120, 4СПтсип 150/240.
3. Соединительные зажимы MJPT.
Для прокладки СИП или кабеля по опорам или стенам здания применяется дистанционный фиксатор BIC, крепление которого производится при помощи одной полосы металлической ленты F 207 и одной скрепы NC 20, или при помощи одного болта. Фиксация СИП или кабеля осуществляется с помощью двух стяжных хомутов Е 778 или Е 260.
5.4. Согласно требованиям главы 2.4 ПУЭ в начале и в конце каждой магистрали ВЛИ на проводах требуется устанавливать зажимы для присоединения приборов контроля напряжения и переносного заземления.
Поэтому на стадии проектирования линий необходимо предусмотреть установку зажимов PC 481 на первой концевой опоре каждой отходящей от ТП 10/0,4 кВ линии ВЛИ, а так же в конце каждой магистрали ВЛИ.
PC 481 состоит из герметичного зажима со встроенным адаптером, который снабжен байонетным замком для надежного и герметичного соединения с M6D. А так же имеет лепестки с маркировкой 1,2,3,N.
Зажимы PC 481 устанавливаются на токопроводящих и нулевой жилах на весь срок службы.
В процессе эксплуатации к адаптеру зажима PC 481 подключается M6D (устройство для закорачивания), затем с помощью байонетного замка подключается переносное заземление MAT. Этот способ переносного заземления является наиболее надежным и экономичным.
Не рекомендуется устанавливать на СИП другие зажимы для подключения переносного заземления, а тем более их снимать с ВЛИ. Это приведет к коррозии линии.
Не приемлемо использовать на ВЛИ переносные заземления предназначенные для неизолированных воздушных линий, это является нарушением технологии эксплуатации ВЛИ.
Переносные заземления так же могут подключаться к линии через мачтовые рубильники, этот вариант значительно дороже первого, но является менее трудоемким.
5.5. Для ответвления к домам предусмотрена следующая арматура: анкерный зажим DN 123, кронштейн CA 16 для DN 123, ответвительные герметичные зажимы P 616, P 645 или ответвительные зажимы с раздельной затяжкой болтов Р 21, Р 71, Р 72, Р 74 (зажим Р 21 предназначен для соединения проводов ввода в дом с проводами абонента).
5.6. Для ограничения потребляемой мощности рекомендуется устанавливать на абонентских ответвлениях ограничитель мощности (ОМ), состоящий из корпуса предохранителя PF (сечением 16 или 25 мм2) и съемного предохранителя FG (от 2 до 63А). Монтаж ограничителя мощности (ОМ) производится при помощи пресс-клещей с вращающимися матрицами R 05.
5.7. В основном все кронштейны крепятся к деревянным, металлическим и железобетонным опорам при помощи металлической ленты F 207 и фиксирующей скрепы NC 20 (на анкерных и промежуточных опорах). В случае если в опорах предусмотрены специальные отверстия, возможно применение сквозных крюков B 16, B 20.
Глава 6. Оценка потребностей в линейной арматуре и оборудовании для подвески СИП-2
6.1. Различные виды подвески (крепления) СИП–2 с использованием линейной арматуры фирмы НИЛЕД могут быть классифицированы на 15 классов (видов) (см. рис. 3.1).
Узлы крепления СИП–2 на ВЛИ 0,4 кВ показаны на рисунках в табл. 3.2.
6.2. Потребность в линейной арматуре для указанных узлов крепления СИП–2 приведена в табл. 3.1.
Данные, приведенные в табл. 3.2, рекомендуется использовать при оформлении заявки на арматуру и при составлении сметы затрат на строительство или реконструкцию ВЛИ 0,4 кВ.

Таблица 3.2.
Места и способы установки линейной арматуры при подвеске СИП–2 на ВЛИ 0,4 кВ

Примечание: в большинстве случаев все кронштейны крепятся к опорам при помощи металлической ленты F 207 в один оборот и скрепы NC 20. Если в опоре есть специальные монтажные отверстия, то кронштейны CS 10.3, CS 1500E, CA 16 могут так же крепиться к опорам при помощи 1 или 2 болтов.

Примечание: в большинстве случаев все кронштейны крепятся к опорам при помощи металлической ленты F 207 в один оборот и скрепы NC 20. Если в опоре есть специальные монтажные отверстия, то кронштейны CS 10.3, CS 1500E, CA 16 могут так же крепиться к опорам при помощи 1 или 2 болтов.

Примечание: в большинстве случаев все кронштейны крепятся к опорам при помощи металлической ленты F 207 в один оборот и скрепы NC 20. Если в опоре есть специальные монтажные отверстия, то кронштейны CS 10.3, CS 1500E, CA 16 могут так же крепиться к опорам при помощи 1 или 2 болтов.
Применение СИП в сетях наружного освещения
Раздел содержит информацию об:
- особенностях применения самонесущих изолированных проводов в сетях наружного освещения.
При подготовке раздела использованы:
-
- ТУ на проектирование наружного освещения г. Москвы. Москва, 1995 г.
- Регламент технической эксплуатации наружного освещения. Москва, 2000 г.
- Правила устройства электроустановок. Седьмое издание.
- Указания по эксплуатации установок наружного освещения городов, поселков и сельских населенных пунктов. Москва, Стройиздат, 1990 г.
В соответствии с "Техническими условиями на проектирование наружного освещения г. Москвы, утвержденными руководителем Департамента энергетики и энергосбережения Правительства г. Москвы 20 апреля 1995 г., "для повышения надежности работы наружного освещения и безопасности населения, упрощения монтажа и обслуживания воздушные распределительные сети рекомендуется выполнять самонесущими изолированными проводами". Практика применения СИП в различных городах России и сельских районах подтвердила целесообразность использования СИП в сетях освещения. Это нашло свое отражение и в седьмой редакции ПУЭ, п. 6.3.25. "Сети наружного освещения рекомендуется выполнять кабельными или воздушными с использованием самонесущих изолированных проводов...".
Линии распределительной сети наружного освещения (НО), как правило, имеют протяженность не более 600 м в городе и не более 1000 м в сельской местности, при этом расстояния между соседними светильниками в городах составляют 30-40 м, в сельских населенных пунктах - 40...70 м.
Особенностью сетей НО является наличие на одной распределительной линии большого числа светильников - однофазных потребителей электроэнергии и обеспечение возможности пофазного отключения потребителей. В соответствии с ПУЭ (п. 6.3.37) такие распределительные линии НО, в которых используются светильники с газоразрядными источниками света и индивидуальной компенсацией реактивной мощности, необходимо выполнять с равными сечениями токопроводящих жил и нулевого рабочего проводников.
В четырехпроводных НО используются, как правило СИП–2 сечением 3x16+35; 3х35+35 и 3х50+54,6 мм2. Использование СИП–2 (старое название СИП 2А) сечением 3x16+35 для питания малой суммарной нагрузки нецелесообразно с экономической точки зрения, а сечений 3х70+54,6 мм2 – требует дополнительного расчетного обоснования. СИП с нулевой несущей жилой сечением 70 мм2 в сетях НО применяются, преимущественно, в сельской местности на протяженных линиях или в линиях с большой линейной плотностью установки светильников (например, в линиях питания опор с многосветильниковыми световыми установками).
Сети НО городов выполняются 3-фазными с глухо заземленной нейтралью, в них применяются 4 и 5-проводные линии. Пятипроводные линии, в которых реализуется система заземления TN-S, рекомендуется применять на улицах с интенсивным пешеходным движением и на территориях детских учреждений, т.е. в местах, где требуется повышенная электробезопасность сети. Однако, ввиду того, что распределительные линии от пункта питания до ближайшей опоры часто требуется прокладывать в земле, то в этих случаях приходится применять систему заземления TN-C-S из-за отсутствия в ассортименте отечественной кабельной продукции 5-жильных кабелей. Прокладка же СИП в земле не допускается.
Необходимость применения комбинированных кабельно-воздушных линий требует решения задачи обеспечения высокой надежности кабельно-воздушных соединений. Такой переход с участка распределительной линии, выполненного кабелем в земле, на участок, выполненный с применением СИП–2 (старое название СИП 2А), монтируется в цоколе опоры НО или в приставном кабельном ящике, а подъем наверх выполняется СИП–2 в теле опоры с выходом их на внешнюю сторону опоры через специальные отверстия. Отверстия не должны иметь заусенец и острых кромок, а в лучшем случае должны оборудоваться резиновыми или пластмассовыми втулками. Электрическое соединение кабеля и СИП выполняется с применением штатного комплекта арматуры. Соединительный комплект арматуры для 3-х и 4-х жильных кабелей представлены в разделе «Линейная арматура».
В месте соединения кабеля с СИП рекомендуется производить зануление брони кабеля и опоры (или приставного кабельного ящика) при помощи ответвительного зажима Р 71.
Применение СИП с неизолированной нулевой несущей жилой СИП–1 (старое название СИП 2) в условиях большого города не рекомендуется из-за высокой химической агрессивности внешней среды, вызывающей интенсивную коррозию неизолированной жилы.
Распределительные линии НО дворовых территорий, как правило, имеют небольшую протяженность (до 300 м) и питают ограниченное число маломощных светильников. Для таких линий в ряде случаев оправдано использование жгутов из несущих изолированных токопроводящих жил и нулевой рабочей жилы с сечением 16 и 25 мм2.
Ответвления от распределительных линий к светильникам выполняется по 3-проводной схеме. В цепи питания каждого светильника необходима установка предохранителя или автомата индивидуальной защиты. Следует также предусматривать защитное заземление каждой опоры и кронштейна для крепления светильника.
Например, подключение установки освещения с двумя светильниками должно выполняться по схемам:
а) для линии с совмещенными рабочим и защитным нулевыми проводниками;

б) для линии с разделенными рабочим и защитным нулевыми проводниками.

В качестве зарядных проводов светильников рекомендуется применять провода марки ПВС 3х2,5. Провода с сечением жил 1,5 мм2 применять нежелательно из-за недостаточной механической прочности. Для ответвления используются прокалывающие зажимы P 616, Р 21 фирмы НИЛЕД.
В настоящее время в России для уличного освещения или ввода в дом применяются медные многопроволочные провода сечением 1,5-2,5 мм2 и алюминиевые однопроволочные провода сечением 1,5-2,5 мм2, поэтому для России НИЛЕД разработал новую конструкцию контактных пластин для зажимов Р 616. Новые контактные пластины обеспечивают надежный контакт с проводами малых сечений (1,5-2,5 мм2) отечественного производства.
Зажимы испытаны на монтаж и эксплуатацию при низких температурах (монтаж – до минус 20оС, эксплуатация – до минус 60оС) с отечественными и зарубежными СИП, а также с отечественными проводами, применяемыми для ввода в дом и для уличного освещения.
К линиям распределительных сетей НО, выполненных с применением СИП, возможно, подключение иллюминационных и рекламных установок. Для такого подключения требуется наличие соответствующего резерва пропускной способности линии. На улицах и магистралях с большим числом иллюминационных и световых рекламных установок, подключаемых к сети НО, следует предусматривать отдельную линию питания. СИП могут применяться для питания светильников, подвешиваемых на тросовых растяжках.
Для закрепления СИП на опорах НО используются анкерные кронштейны CS 10.3 и комплект промежуточной подвески ES 1500E, которые, в свою очередь, крепятся к стойкам опор лентой F 207 из нержавеющей стали и скрепами NC 20.
Диаметры посадочных мест для кронштейнов наиболее распространенных стоек НО следующие: 168 мм, 219 мм и 273 мм.
В каждой линии с применением СИП должна быть предусмотрена возможность подключения переносного защитного заземления. Для такого подключения на линии СИП устанавливается арматура: зажимы для замера напряжения и наложения заземления типа PC 481 (устанавливаются на каждую жилу) для сечений СИП от 16 до 150 мм2 и комплект переносного защитного заземления МаТ и M6D. Также данные зажимы и комплект защитного заземления используются при проведении измерений сопротивления петли "фаза-ноль".
Для защиты сети от КЗ в светильниках необходимо устанавливать в цепь фазного зарядного провода каждого светильника ограничитель мощности (ОМ). Ограничитель мощности состоит из корпуса PF под провода сечением 1,5-4мм2 и предохранителя FG 106 (сила тока 6 А) или FG 110 (сила тока 10 А).
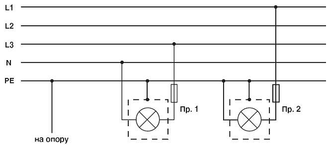
Подключение к СИП светильника наружного освещения

|
Р 21 или P616 зажимы для уличного освещения и ввода в дом ? 2 шт. Примечание: |
До настоящего времени не был решен вопрос о подвеске СИП, предусмотренной п. 6.3.35 ПУЭ, в существующих, специфичных только для установок НО систем центрового «тросового» размещения светильников, широко используемых в районах старой, сложившейся застройки городов, на улицах и городах с высокорослыми развесистыми деревьями и др.
Для этой цели фирмой НИЛЕД впервые разработан специальный комплект промежуточной подвески CS 2, состоящий из накладного типа подвески на трос с поддерживающим зажимом PS 1500+LM-E для СИП, а также анкерный центровой подвес-планку CS 1, для крепления одного или двух анкерных зажимов.
При тросовом подвесе светильников их распределительная электрическая сеть с использованием СИП–2 и разработанных новых промежуточных и анкерных устройств размещается в непосредственной близости от светильников.
Анкерные центровые подвесы-планки CS 1 рекомендуется монтировать через каждые 10 пролетов, но не более, чем через 0,5 км, а также в начале и конце линии. Положение анкерных подвесов-планок на тросу фиксируется с помощью дополнительных стяжек.
Перечень линейной арматуры на 1 км линии наружного
освещения с СИП-2 (3х50+54,6)
№ п/п |
Наименование НИЛЕД |
Кол-во на 1 км |
|
1 |
Анкерный зажим РА 1500 или РАС 1500 |
12 |
|
2 |
Кронштейн для анкерного зажима СS 10.3 |
12 |
|
3 |
Комплект промежуточной подвески ES 1500E |
18 |
|
4 |
Зажим сетевой Р 70 для ответвления магистральных СИП |
8 |
|
5 |
Зажим ответвительный Р 72 для наложения повторного заземления |
8 |
|
6 |
Зажим ответвительный для уличного освещения Р 21 или Р 616 |
75 |
|
7 |
Ремешок Е 778 |
75 |
|
8 |
Лента бандажная F 207 |
60 м |
|
9 |
Скрепа NC 20 для фиксации ленты на анкерных и промежуточных опорах |
60 |
|
10 |
Зажим прессуемый MJPT 35 для токопроводящих жил сечение 35 мм2 |
3 |
|
11 |
Зажим прессуемый MJPT 54,6N для нулевой жилы сечение 54,6 мм2 |
1 |
|
12 |
Колпачки герметичные СЕ 25-150 сечение 25-150 мм2 |
4 |
|
13 |
Изолированный наконечник CPTAUR 54,6 жилы сечением 54,6 мм2 |
1 |
|
14 |
Изолированный наконечник CPTAUR 35 для токопроводящих жил сечением 35 мм2 |
3 |
|
15 |
Зажим PC 481 для замера напряжения и наложения защитного заземления |
8 |
|
|